Produkty
Rod GGD
  • Rod GGDRod GGD
  • Rod GGDRod GGD
  • Rod GGDRod GGD

Rod GGD

Yitai Lock zapewnia doskonałą wydajność blokad i prętów GGD z wyrafinowanym systemem produkcyjnym. GGD TIM są ważnym składnikiem strukturalnym stałego napięcia typu GGD o niskim napięciu, charakteryzującym się prostotą i praktycznością.


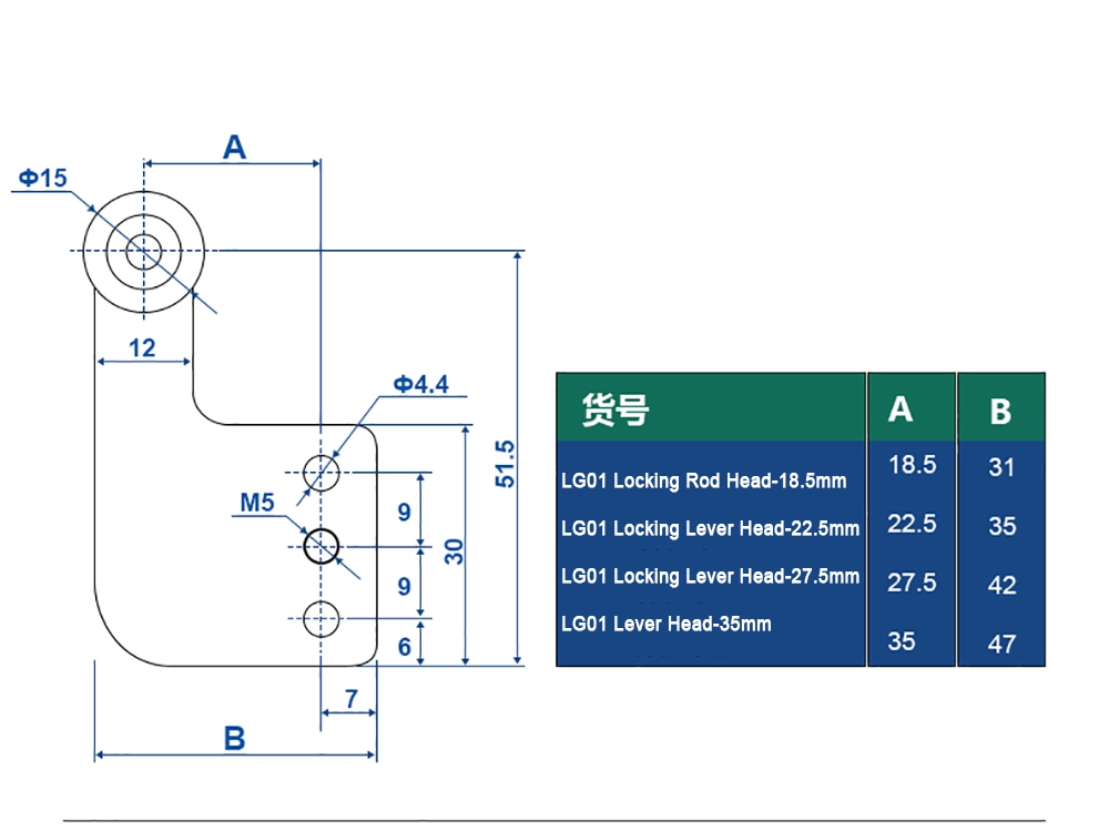
Model produktu LG Series Blocking dźwignia
przybory Żelazo
kolor Żelazo ocynkowane
Funkcje produktu Elastyczny obrót/zagęszczony panel/antykorozja i trwały
Zakres aplikacji Pudełko dystrybucyjne/szafka/szafka/wszelkiego rodzaju pudełka przemysłowe


Chińskie pręty GGD w Chinach GGD Yitai są eksportowane na cały świat. Pięte krawatowe GGD są używane głównie do naprawy, wspornika i łączenia elementów elektrycznych wewnątrz szafki, aby zapewnić stabilność konstrukcyjną i bezpieczeństwo elektryczne szafki dystrybucyjnej.


Wymiary:

Domyślna długość pręta ggd z stali węglowej (żelaza) wynosi 1000 mm, można dostosować inne długości i średnice.


Cechy

Pięte krawatowe GGD są używane głównie do naprawy ramy szafki, wspornika rzędów szyn i łączenia komponentów elektrycznych, aby zapewnić stabilność ogólnej konstrukcji szafki dystrybucyjnej.

Metoda instalacji: połączenie śruby lub spoiny z szafką.

Bezpieczeństwo elektryczne: Należy rozważyć konstrukcję prętów krawatowych w celu utrzymania wystarczającej odległości bezpieczeństwa od zelektryfikowanego korpusu, aby zapobiec wystąpieniu zjawiska wyładowania elektrycznego.


Przewodnik wyboru

Wybierz długość pręta GGD według wielkości szafki.

Wybierz grubość zgodnie z wymaganiami dotyczącymi łożyska obciążenia.

Wersja ocynkowana jest zalecana dla środowisk korozyjnych.

W przypadku wymagań o wysokiej estetyce dostępna jest dostosowana wersja natryskiwania plastiku.

Ggd Tie RodGgd Tie RodGgd Tie RodGgd Tie RodGgd Tie RodGgd Tie RodGgd Tie RodGgd Tie RodGgd Tie RodGgd Tie RodGgd Tie RodGgd Tie RodGgd Tie RodGgd Tie RodGgd Tie RodGgd Tie RodGgd Tie RodGgd Tie RodGgd Tie RodGgd Tie Rod


FAQ

P: Co mogę zrobić, jeśli pręty krawatowe nie teleskopują płynnie?

Odp.: Sprawdź przeszkodę w obcym obiekcie.

Smaruj złącza lub gwintowane części.

Wymaganie jest wymagane, jeśli jest zdeformowane lub uszkodzone.


P: Czy można dostosować długość pręta GGD?

Odp.: Obsługa spersonalizowana długość i średnica pręta blokady


P: Czy pręty ggd są odporne na wysoką temperaturę?

Odp.: Zwykła odporność na temperaturę stali wynoszącą około 200 ° C lub mniej.


P : Jak mogę stwierdzić, czy pręt krawaty jest uszkodzony?

Odp.: Obserwuj widoczne zakręty, pęknięcia lub zużyte nici.

Grzechotanie lub zakłócenie podczas testowania może być wewnętrznym uszkodzeniem strukturalnym


P: Jaka jest oczekiwana długość życia pręta GGD?

Odp.: W zależności od częstotliwości użytkowania, obciążenia i środowiska, do kilku lat lub więcej przy normalnej konserwacji.


Gorące Tagi: GGD Tie Rod, China producent, sprzęt do szaf elektrycznych, dostawca zamka Yitai, niestandardowa fabryka rod
Powiązana kategoria
Wyślij zapytanie
Informacje kontaktowe
W przypadku zapytań dotyczących blokady sprzętu, zawiasu sprzętowego, uchwytu sprzętowego lub cenowego, zostaw nam swój e -mail, a my zostaniemy w kontakcie w ciągu 24 godzin.
X
Używamy plików cookie, aby zapewnić lepszą jakość przeglądania, analizować ruch w witrynie i personalizować zawartość. Korzystając z tej witryny, wyrażasz zgodę na używanie przez nas plików cookie. Polityka prywatności
Odrzucić Przyjąć